一、MOSFET 基础知识
1.什么是MOSFET
mos管是金属(metal)、氧化物(oxide)、半导体(semiconductor)场效应晶体管,或者称是金属—绝缘体(insulator)、半导体。MOS管的source和drain是可以对调的,他们都是在P型back gate中形成的N型区。在多数情况下,这个两个区是一样的,即使两端对调也不会影响器件的性能。这样的器件被认为是对称的。
场效应管(FET),把输入电压的变化转化为输出电流的变化。FET的增益等于它的跨导, 定义为输出电流的变化和输入电压变化之比。市面上常有的一般为N沟道和P沟道,详情参考右侧图片(P沟道耗尽型MOS管)。而P沟道常见的为低压mos管。
场效应管通过投影一个电场在一个绝缘层上来影响流过晶体管的电流。事实上没有电流流过这个绝缘体,所以FET管的GATE电流非常小。最普通的FET用一薄层二氧化硅来作为GATE极下的绝缘体。这种晶体管称为金属氧化物半导体(MOS)晶体管,或,金属氧化物半导体场效应管(MOSFET)。因为MOS管更小更省电,所以他们已经在很多应用场合取代了双极型晶体管。
2.MOSFET管基本结构与工作原理
mos管学名是场效应管,是金属-氧化物-半导体型场效应管,属于绝缘栅型。本文就结构构造、特点、实用电路等几个方面用工程师的话简单描述。其结构示意图:

MOS场效应三极管分为:增强型(又有N沟道、P沟道之分)及耗尽型(分有N沟道、P沟道)。N沟道增强型MOSFET的结构示意图和符号见上图。其中:电极 D(Drain) 称为漏极,相当双极型三极管的集电极;
电极 G(Gate) 称为栅极,相当于的基极;
电极 S(Source)称为源极,相当于发射极。
3.N沟道增强型MOSFET场效应管
(1)结构
在一块掺杂浓度较低的P型硅衬底上,制作两个高掺杂浓度的N+区,并用金属铝引出两个电极,分别作漏极d和源极s。然后在半导体表面覆盖一层很薄的二氧化硅(SiO2)绝缘层,在漏——源极间的绝缘层上再装上一个铝电极,作为栅极g。衬底上也引出一个电极B,这就构成了一个N沟道增强型MOS管。MOS管的源极和衬底通常是接在一起的(大多数管子在出厂前已连接好)。它的栅极与其它电极间是绝缘的。
图(a)、(b)分别是它的结构示意图和代表符号。代表符号中的箭头方向表示由P(衬底)指向N(沟道)。P沟道增强型MOS管的箭头方向与上述相反,如图(c)所示。

(2) 沟道增强型MOSFET场效应管的工作原理
(1)vGS对iD及沟道的控制作用
① vGS=0 的情况
从图1(a)可以看出,增强型MOS管的漏极d和源极s之间有两个背靠背的PN结。当栅——源电压vGS=0时,即使加上漏——源电压vDS,而且不论vDS的极性如何,总有一个PN结处于反偏状态,漏——源极间没有导电沟道,所以这时漏极电流iD≈0。
② vGS>0 的情况
若vGS>0,则栅极和衬底之间的SiO2绝缘层中便产生一个电场。电场方向垂直于半导体表面的由栅极指向衬底的电场。这个电场能排斥空穴而吸引电子。
排斥空穴:使栅极附近的P型衬底中的空穴被排斥,剩下不能移动的受主离子(负离子),形成耗尽层。吸引电子:将 P型衬底中的电子(少子)被吸引到衬底表面。
(2)导电沟道的形成:
当vGS数值较小,吸引电子的能力不强时,漏——源极之间仍无导电沟道出现,如图1(b)所示。vGS增加时,吸引到P衬底表面层的电子就增多,当vGS达到某一数值时,这些电子在栅极附近的P衬底表面便形成一个N型薄层,且与两个N+区相连通,在漏——源极间形成N型导电沟道,其导电类型与P衬底相反,故又称为反型层,如图1(c)所示。vGS越大,作用于半导体表面的电场就越强,吸引到P衬底表面的电子就越多,导电沟道越厚,沟道电阻越小。
开始形成沟道时的栅——源极电压称为开启电压,用VT表示。
上面讨论的N沟道MOS管在vGS<VT时,不能形成导电沟道,管子处于截止状态。只有当vGS≥VT时,才有沟道形成。这种必须在vGS≥VT时才能形成导电沟道的MOS管称为增强型MOS管。沟道形成以后,在漏——源极间加上正向电压vDS,就有漏极电流产生。
vDS对iD的影响

如图(a)所示,当vGS>VT且为一确定值时,漏——源电压vDS对导电沟道及电流iD的影响与结型场效应管相似。
漏极电流iD沿沟道产生的电压降使沟道内各点与栅极间的电压不再相等,靠近源极一端的电压最大,这里沟道最厚,而漏极一端电压最小,其值为VGD=vGS-vDS,因而这里沟道最薄。但当vDS较小(vDS 随着vDS的增大,靠近漏极的沟道越来越薄,当vDS增加到使VGD=vGS-vDS=VT(或vDS=vGS-VT)时,沟道在漏极一端出现预夹断,如图2(b)所示。再继续增大vDS,夹断点将向源极方向移动,如图2(c)所示。由于vDS的增加部分几乎全部降落在夹断区,故iD几乎不随vDS增大而增加,管子进入饱和区,iD几乎仅由vGS决定。
(3)N沟道耗尽型MOSFET场效应管的基本结构

a.结构:
N沟道耗尽型MOS管与N沟道增强型MOS管基本相似。
b.区别:
耗尽型MOS管在vGS=0时,漏——源极间已有导电沟道产生,而增强型MOS管要在vGS≥VT时才出现导电沟道。
c.原因:
制造N沟道耗尽型MOS管时,在SiO2绝缘层中掺入了大量的碱金属正离子Na+或K+(制造P沟道耗尽型MOS管时掺入负离子),如图1(a)所示,因此即使vGS=0时,在这些正离子产生的电场作用下,漏——源极间的P型衬底表面也能感应生成N沟道(称为初始沟道),只要加上正向电压vDS,就有电流iD。 如果加上正的vGS,栅极与N沟道间的电场将在沟道中吸引来更多的电子,沟道加宽,沟道电阻变小,iD增大。反之vGS为负时,沟道中感应的电子减少,沟道变窄,沟道电阻变大,iD减小。当vGS负向增加到某一数值时,导电沟道消失,iD趋于零,管子截止,故称为耗尽型。沟道消失时的栅-源电压称为夹断电压,仍用VP表示。与N沟道结型场效应管相同,N沟道耗尽型MOS管的夹断电压VP也为负值,但是,前者只能在vGS<0的情况下工作。而后者在vGS=0,vGS>0
(4)P沟道耗尽型MOSFET
P沟道MOSFET的工作原理与N沟道MOSFET完全相同,只不过导电的载流子不同,供电电压极性不同而已。这如同双极型三极管有NPN型和PNP型一样。
4.MOS管参数
(1)功率MOSFET的绝对最大额定值:

注①:漏源最大电压VDSS,可视为反向施加在体二极管两端的电压值,故只有一个方向。
注②:栅源最大电压VGSS,即施加在栅极电极与源极电极之间的电压,由于栅极与P型半导体衬底中加了SiO2绝缘层,只要电压绝对值超过绝缘层耐压均会击穿,故有两个方向“±”。
注③:漏级最大电流ID与体二极管流过的反向漏级最大电流IDR(或称为IS)一般规格书中数值一致,均为流过N型半导体与P型半导体衬底形成的PN结的最大电流。
注④:ID(pulse)需要看施加电流的脉冲宽度,脉宽不一致的不能沿用规格书数据。
注⑤:雪崩电流IAP同样需要关注脉冲宽度。
(2)静态电特性

注①:Vgs(off)其实就是开启电压Vgs(th),只不过这里看的角度不一样。
注②:看完前文的读者应该知道为什么这里两个Rds(on)大小有差异,不知道的回去前面重新看。
(3)动态点特性

注①:Ciss = Cgs + Cgd ;Coss = Cds ;Crss = Cgd
注②:MOS管开启速度最主要关注的参数是Qg,也就是形成反型层需要的总电荷量!
注③:接通/断开延迟时间t d(on/off)、上升/下降时间tr / tf,各位工程时使用的时候请根据实际漏级电路ID,栅极驱动电压Vg进行判断。
MOS管的三个管脚之间有寄生电容存在,这不是我们需要的,而是由于制造工艺限制产生的。寄生电容的存在使得在设计或选择驱动电路的时候要麻烦一些,但没有办法避免,后边再详细介绍。
在MOS管原理图上可以看到,漏极和源极之间有一个寄生二极管。这个叫体二极管,在驱动感性负载(如马达),这个二极管很重要。可以在MOS管关断时为感性负载的电动势提供击穿通路从而避免MOS管被击穿损坏。顺便说一句,体二极管只在单个的MOS管中存在,在集成电路芯片内部通常是没有的。
5.MOS管三个极分别是什么及判定方法
mos管的三个极分别是:G(栅极),D(漏极)s(源及),要求栅极和源及之间电压大于某一特定值,漏极和源及才能导通。

(1)判断栅极G
MOS驱动器主要起波形整形和加强驱动的作用:假如MOS管的G信号波形不够陡峭,在点评切换阶段会造成大量电能损耗其副作用是降低电路转换效率,MOS管发烧严峻,易热损坏MOS管GS间存在一定电容,假如G信号驱动能力不够,将严峻影响波形跳变的时间。
将G-S极短路,选择万用表的R×1档,黑表笔接S极,红表笔接D极,阻值应为几欧至十几欧。若发现某脚与其字两脚的电阻均呈无限大,并且交换表笔后仍为无限大,则证实此脚为G极,由于它和另外两个管脚是绝缘的。
(2)判断源极S、漏极D
将万用表拨至R×1k档分别丈量三个管脚之间的电阻。用交换表笔法测两次电阻,其中电阻值较低(一般为几千欧至十几千欧)的一次为正向电阻,此时黑表笔的是S极,红表笔接D极。因为测试前提不同,测出的RDS(on)值比手册中给出的典型值要高一些。
(3)丈量漏-源通态电阻RDS(on)
在源-漏之间有一个PN结,因此根据PN结正、反向电阻存在差异,可识别S极与D极。例如用500型万用表R×1档实测一只IRFPC50型VMOS管,RDS(on)=3.2W,大于0.58W(典型值)。
测试步骤:
MOS管的检测主要是判断MOS管漏电、短路、断路、放大。
其步骤如下:
假如有阻值没被测MOS管有漏电现象。
1、把连接栅极和源极的电阻移开,万用表红黑笔不变,假如移开电阻后表针慢慢逐步退回到高阻或无限大,则MOS管漏电,不变则完好
2、然后一根导线把MOS管的栅极和源极连接起来,假如指针立刻返回无限大,则MOS完好。
3、把红笔接到MOS的源极S上,黑笔接到MOS管的漏极上,好的表针指示应该是无限大。
4、用一只100KΩ-200KΩ的电阻连在栅极和漏极上,然后把红笔接到MOS的源极S上,黑笔接到MOS管的漏极上,这时表针指示的值一般是0,这时是下电荷通过这个电阻对MOS管的栅极充电,产生栅极电场,因为电场产生导致导电沟道致使漏极和源极导通,故万用表指针偏转,偏转的角度大,放电性越好。
6..MOSFET的作用
1.可应用于放大。由于场效应管放大器的输入阻抗很高,因此耦合电容可以容量较小,不必使用电解电容器。
2.很高的输入阻抗非常适合作阻抗变换。常用于多级放大器的输入级作阻抗变换。
3.可以用作可变电阻。
4.可以方便地用作恒流源。
5.可以用作电子开关。
6.在电路设计上的灵活性大。栅偏压可正可负可零,三极管只能在正向偏置下工作,电子管只能在负偏压下工作。另外输入阻抗高,可以减轻信号源负载,易于跟前级匹配。
7.MOSFET的特性和作用
(1)MOS管导作用
MOS管的栅极G和源极S之间是绝缘的,由于SiO2绝缘层的存在,在栅极G和源极S之间等效是一个电容存在,电压VGS产生电场从而导致源source和drain是可以对调的,他们都是在P型backgate中形成的N型区。在多数情况下,这个两个区是一样的,即使两端对调也不会影响器件的性能。这样的器件被认为是对称的。
目前在市场应用方面,排名第一的是消费类电子电源适配器产品。而MOS管的应用领域排名第二的是计算机主板、NB、计算机类适配器、LCD显示器等产品,随着国情的发展计算机主板、计算机类适配器、LCD显示器对MOS管的需求有要超过消费类电子电源适配器的现象了。
第三的就属网络通信、工业控制、汽车电子以及电力设备领域了,这些产品对于MOS管的需求也是很大的,特别是现在汽车电子对于MOS管的需求直追消费类电子了。

下面对MOS失效的原因总结以下六点,然后对1,2重点进行分析:
1:雪崩失效(电压失效),也就是我们常说的漏源间的BVdss电压超过MOSFET的额定电压,并且超过达到了一定的能力从而导致MOSFET失效。
2:SOA失效(电流失效),既超出MOSFET安全工作区引起失效,分为Id超出器件规格失效以及Id过大,损耗过高器件长时间热积累而导致的失效。
3:体二极管失效:在桥式、LLC等有用到体二极管进行续流的拓扑结构中,由于体二极管遭受破坏而导致的失效。
4:谐振失效:在并联使用的过程中,栅极及电路寄生参数导致震荡引起的失效。
5:静电失效:在秋冬季节,由于人体及设备静电而导致的器件失效。
6:栅极电压失效:由于栅极遭受异常电压尖峰,而导致栅极栅氧层失效。
雪崩失效分析(电压失效)
底什么是雪崩失效呢,简单来说MOSFET在电源板上由于母线电压、变压器反射电压、漏感尖峰电压等等系统电压叠加在MOSFET漏源之间,导致的一种失效模式。简而言之就是由于就是MOSFET漏源极的电压超过其规定电压值并达到一定的能量限度而导致的一种常见的失效模式。
下面的图片为雪崩测试的等效原理图,做为电源工程师可以简单了解下。

可能我们经常要求器件生产厂家对我们电源板上的MOSFET进行失效分析,大多数厂家都仅仅给一个EAS.EOS之类的结论,那么到底我们怎么区分是否是雪崩失效呢,下面是一张经过雪崩测试失效的器件图,我们可以进行对比从而确定是否是雪崩失效。
雪崩失效的预防措施
雪崩失效归根结底是电压失效,因此预防我们着重从电压来考虑。具体可以参考以下的方式来处理。
1:合理降额使用,目前行业内的降额一般选取80%-95%的降额,具体情况根据企业的保修条款及电路关注点进行选取。
2:合理的变压器反射电压。
合理的RCD及TVS吸收电路设计。
4:大电流布线尽量采用粗、短的布局结构,尽量减少布线寄生电感。
5:选择合理的栅极电阻Rg。
6:在大功率电源中,可以根据需要适当的加入RC减震或齐纳二极管进行吸收。

SOA失效(电流失效)
再简单说下第二点,SOA失效
SOA失效是指电源在运行时异常的大电流和电压同时叠加在MOSFET上面,造成瞬时局部发热而导致的破坏模式。或者是芯片与散热器及封装不能及时达到热平衡导致热积累,持续的发热使温度超过氧化层限制而导致的热击穿模式。
关于SOA各个线的参数限定值可以参考下面图片。

1:受限于最大额定电流及脉冲电流
2:受限于最大节温下的RDSON。
3:受限于器件最大的耗散功率。
4:受限于最大单个脉冲电流。
5:击穿电压BVDSS限制区
我们电源上的MOSFET,只要保证能器件处于上面限制区的范围内,就能有效的规避由于MOSFET而导致的电源失效问题的产生。
这个是一个非典型的SOA导致失效的一个解刨图,由于去过铝,可能看起来不那么直接,参考下。

SOA失效的预防措施:
1:确保在最差条件下,MOSFET的所有功率限制条件均在SOA限制线以内。
2:将OCP功能一定要做精确细致。
在进行OCP点设计时,一般可能会取1.1-1.5倍电流余量的工程师居多,然后就根据IC的保护电压比如0.7V开始调试RSENSE电阻。有些有经验的人会将检测延迟时间、CISS对OCP实际的影响考虑在内。但是此时有个更值得关注的参数,那就是MOSFET的Td(off)。它到底有什么影响呢,我们看下面FLYBACK电流波形图(图形不是太清楚,十分抱歉,建议双击放大观看)。

从图中可以看出,电流波形在快到电流尖峰时,有个下跌,这个下跌点后又有一段的上升时间,这段时间其本质就是IC在检测到过流信号执行关断后,MOSFET本身也开始执行关断,但是由于器件本身的关断延迟,因此电流会有个二次上升平台,如果二次上升平台过大,那么在变压器余量设计不足时,就极有可能产生磁饱和的一个电流冲击或者电流超器件规格的一个失效。
3:合理的热设计余量,这个就不多说了,各个企业都有自己的降额规范,严格执行就可以了,不行就加散热器。
MOSFET发热原因分析
做电源设计,或者做驱动方面的电路,难免要用到MOS管。MOS管有很多种类,也有很多作用。做电源或者驱动的使用,当然就是用它的开关作用。
无论N型或者P型MOS管,其工作原理本质是一样的。MOS管是由加在输入端栅极的电压来控制输出端漏极的电流。MOS管是压控器件它通过加在栅极上的电压控制器件的特性,不会发生像三极管做开关时的因基极电流引起的电荷存储效应,因此在开关应用中,
MOS管的开关速度应该比三极管快。其主要原理如图:

MOS管的工作原理
在开关电源中常用MOS管的漏极开路电路,如图2漏极原封不动地接负载,叫开路漏极,开路漏极电路中不管负载接多高的电压,都能够接通和关断负载电流。是理想的模拟开关器件。这就是MOS管做开关器件的原理。当然MOS管做开关使用的电路形式比较多了。

NMOS管的开路漏极电路
在开关电源应用方面,这种应用需要MOS管定期导通和关断。比如,DC-DC电源中常用的基本降压转换器依赖两个MOS管来执行开关功能,这些开关交替在电感里存储能量,然后把能量释放给负载。我们常选择数百kHz乃至1MHz以上的频率,因为频率越高,磁性元件可以更小更轻。在正常工作期间,MOS管只相当于一个导体。因此,我们电路或者电源设计人员最关心的是MOS的最小传导损耗。
我们经常看MOS管的PDF参数,MOS管制造商采用RDS(ON)参数来定义导通阻抗,对开关应用来说,RDS(ON)也是最重要的器件特性。数据手册定义RDS(ON)与栅极(或驱动)电压VGS以及流经开关的电流有关,但对于充分的栅极驱动,RDS(ON)是一个相对静态参数。一直处于导通的MOS管很容易发热。另外,慢慢升高的结温也会导致RDS(ON)的增加。MOS管数据手册规定了热阻抗参数,其定义为MOS管封装的半导体结散热能力。RθJC的最简单的定义是结到管壳的热阻抗。
其发热情况有:
1.电路设计的问题,就是让MOS管工作在线性的工作状态,而不是在开关状态。这也是导致MOS管发热的一个原因。如果N-MOS做开关,G级电压要比电源高几V,才能完全导通,P-MOS则相反。没有完全打开而压降过大造成功率消耗,等效直流阻抗比较大,压降增大,所以U*I也增大,损耗就意味着发热。这是设计电路的最忌讳的错误。
2.频率太高,主要是有时过分追求体积,导致频率提高,MOS管上的损耗增大了,所以发热也加大了。
3.没有做好足够的散热设计,电流太高,MOS管标称的电流值,一般需要良好的散热才能达到。所以ID小于最大电流,也可能发热严重,需要足够的辅助散热片。
4.MOS管的选型有误,对功率判断有误,MOS管内阻没有充分考虑,导致开关阻抗增大。
三、MOSFET选型注意事项
MOSFET的选型基础MOSFET有两大类型:N沟道和P沟道。在功率系统中,MOSFET可被看成电气开关。当在N沟道MOSFET的栅极和源极间加上正电压时,其开关导 通。导通时,电流可经开关从漏极流向源极。漏极和源极之间存在一个内阻,称为导通电阻RDS(ON)。必须清楚MOSFET的栅极是个高阻抗端,因此,总 是要在栅极加上一个电压。如果栅极为悬空,器件将不能按设计意图工作,并可能在不恰当的时刻导通或关闭,导致系统产生潜在的功率损耗。当源极和栅极间的电 压为零时,开关关闭,而电流停止通过器件。虽然这时器件已经关闭,但仍然有微小电流存在,这称之为漏电流,即IDSS。作为电气系统中的基本部件,工程师如何根据参数做出正确选择呢?本文将讨论如何通过四步来选择正确的MOSFET。
1)沟道的选择。为设计选择正确器件的第一步是决定采用N沟道还是P沟道MOSFET。在典型的功率应用中,当一个MOSFET接地,而负载连接到干线电 压上时,该MOSFET就构成了低压侧开关。在低压侧开关中,应采用N沟道MOSFET,这是出于对关闭或导通器件所需电压的考虑。当MOSFET连接到 总线及负载接地时,就要用高压侧开关。通常会在这个拓扑中采用P沟道MOSFET,这也是出于对电压驱动的考虑。

2)电压和电流的选择。额定电压越大,器件的成本就越高。根据实践经验,额定电压应当大于干线电压或总线电压。这样才能提供足够的保护,使MOSFET不 会失效。就选择MOSFET而言,必须确定漏极至源极间可能承受的最大电压,即最大VDS。设计工程师需要考虑的其他安全因素包括由开关电子设备(如电机 或变压器)诱发的电压瞬变。不同应用的额定电压也有所不同;通常,便携式设备为20V、FPGA电源为20~30V、85~220VAC应用为450~600V。在连续导通模式下,MOSFET处于稳态,此时电流连续通过器件。脉冲尖峰是指有大量电涌(或尖峰电流)流过器件。一旦确定了这些条件下的最大电流,只需直接选择能承受这个最大电流的器件便可。
3)计算导通损耗。MOSFET器件的功率耗损可由Iload2×RDS(ON)计算,由于导通电阻随温度变化,因此功率耗损也会随之按比例变化。对便携 式设计来说,采用较低的电压比较容易(较为普遍),而对于工业设计,可采用较高的电压。注意RDS(ON)电阻会随着电流轻微上升。关于RDS(ON)电 阻的各种电气参数变化可在制造商提供的技术资料表中查到。
4)计算系统的散热要求。设计人员必须考虑两种不同的情况,即最坏情况和真实情况。建议采用针对最坏情况的计算结果,因为这个结果提供更大的安全余量,能 确保系统不会失效。在MOSFET的资料表上还有一些需要注意的测量数据;比如封装器件的半导体结与环境之间的热阻,以及最大的结温。开关损耗其实也是一个很重要的指标。从下图可以看到,导通瞬间的电压电流乘积相当大。一定程度上决定了器件的开关性能。不过,如果系统对开关性能要求比较高,可以选择栅极电荷QG比较小的功率MOSFET。

MOSFET应用案例解析
1.开关电源应用从定义上而言,这种应用需要MOSFET定期导通和关断。同时,有数十种拓扑可用于开关电源,这里考虑一个简单的例子。DC-DC电源中常用的基本降压转换器依靠两个MOSFET来执行开关功能(下图),这些开关交替在电感里存储能量,然后把能量开释给负载。目前,设计职员经常选择数百kHz乃至1 MHz以上的频率,由于频率越高,磁性元件可以更小更轻。开关电源中第二重要的MOSFET参数包括输出电容、阈值电压、栅极阻抗和雪崩能量。

2.马达控制应用马达控制应用是功率MOSFET大有用武之地的另一个应用领域。典型的半桥式控制电路采用2个MOSFET (全桥式则采用4个),但这两个MOSFET的关断时间(死区时间)相等。对于这类应用,反向恢复时间(trr) 非常重要。在控制电感式负载(比如马达绕组)时,控制电路把桥式电路中的MOSFET切换到关断状态,此时桥式电路中的另一个开关经过MOSFET中的体二极管临时反向传导电流。于是,电流重新循环,继续为马达供电。当第一个MOSFET再次导通时,另一个MOSFET二极管中存储的电荷必须被移除,通过第一个MOSFET放电,而这是一种能量的损耗,故trr 越短,这种损耗越小。
3. LED 灯具的驱动。设计LED灯具的时候经常要使用MOS管,对LED恒流驱动而言,一般使用NMOS。功率MOSFET和双极型晶体管不同,它的栅极电容比较大,在导通之前要先对该电容充电,当电容电压超过阈值电压(VGS-TH)时MOSFET才开始导通。因此,设计时必须注意栅极驱动器负载能力必须足够大,以保证在系统要求的时间内完成对等效栅极电容(CEI)的充电。而MOSFET的开关速度和其输入电容的充放电有很大关系。使用者虽然无法降低Cin的值,但可以降低栅极驱动回路信号源内阻Rs的值,从而减小栅极回路 的充放电时间常数,加快开关速度一般IC驱动能力主要体现在这里,我们谈选择MOSFET是指外置MOSFET驱动恒流IC。内置MOSFET的IC当然 不用我们再考虑了,一般大于1A电流会考虑外置MOSFET.为了获得到更大、更灵活的LED功率能力,外置MOSFET是唯一的选择方式,IC需要合适 的驱动能力,MOSFET输入电容是关键的参数。下图Cgd和Cgs是MOSFET等效结电容。

一般IC的PWM OUT输出内部集成了限流电阻,具体数值大小同IC的峰值驱动输出能力有关,可以近似认为R=Vcc/Ipeak.一般结合IC驱动能力 Rg选择在10-20Ω左右。一般的应用中IC的驱动可以直接驱动MOSFET,但是考虑到通常驱动走线不是直线,感量可能会更大,并且为了防止外部干扰,还是要使用Rg驱动电阻进行抑制.考虑到走线分布电容的影响,这个电阻要尽量靠近MOSFET的栅极。

以上讨论的是MOSFET ON状态时电阻的选择,在MOSFET OFF状态时为了保证栅极电荷快速泻放,此时阻值要尽量小。通常为了保证快速泻放,在Rg上可以并联一个二极管。当泻放电阻过小,由于走线电感的原因也会引起谐振(因此有些应用中也会在这个二极管上串一个小电阻),但是由于二极管的反向电流不导通,此时Rg又参与反向谐振回路,因此可以抑制反向谐振的尖峰。估算导通损耗、输出的要求和结区温度的时候,就可以参考前文所指出的方法。MOSFET的应用领域非常广泛,远非一两篇文章可以概括。
四、MOS管典型应用电路
第一种:MOS管开关电路图
图中电池的正电通过开关S1接到场效应管Q1的2脚源极,由于Q1是一个P沟道管,它的1脚栅极通过R20电阻提供一个正电位电压,所以不能通电,电压不能继续通过,3v稳压IC输入脚得不到电压所以就不能工作不开机!这时,如果我们按下SW1开机按键时,正电通过按键、R11、R23、D4加到三极管Q2的基极,三极管Q2的基极得到一个正电位,三极管导通(前面讲到三极管的时候已经讲过),由于三极管的发射极直接接地,三极管Q2导通就相当于Q1的栅极直接接地,加在它上面的通过R20电阻的电压就直接入了地,Q1的栅极就从高电位变为低电位,Q1导通电就从Q1同过加到3v稳压IC的输入脚,3v稳压IC就是那个U1输出3v的工作电压vcc供给主控,主控通过复位清0,读取固件程序检测等一系列动作,输处一个控制电压到PWR_ON再通过R24、R13分压送到Q2的基极,保持Q2一直处于导通状态,即使你松开开机键断开Q1的基极电压,这时候有主控送来的控制电压保持着,Q2也就一直能够处于导通状态,Q1就能源源不断的给3v稳压IC提供工作电压!SW1还同时通过R11、R30两个电阻的分压,给主控PLAYON脚送去时间长短、次数不同的控制信号,主控通过固件鉴别是播放、暂停、开机、关机而输出不同的结果给相应的控制点,以达到不同的工作状态!

第二种:MOS管开关电路图
下图是两种MOS管的典型应用:其中第一种NMOS管为高电平导通,低电平截断,Drain端接后面电路的接地端;第二种为PMOS管典型开关电路,为高电平断开,低电平导通,Drain端接后面电路的VCC端。

第三种:MOS管开关电路图
驱动电路加速MOS管关断时间

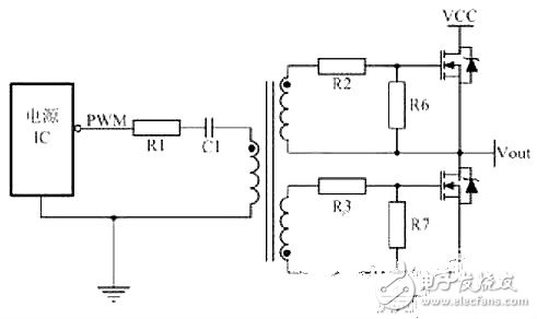
图5 隔离驱动
为了满足如图5所示高端MOS管的驱动,经常会采用变压器驱动,有时为了满足安全隔离也使用变压器驱动。其中R1目的是抑制PCB板上寄生的电感与C1形成LC振荡,C1的目的是隔开直流,通过交流,同时也能防止磁芯饱和。
第四种:MOS管开关电路图

图7(a)为常用的小功率驱动电路,简单可靠成本低。适用于不要求隔离的小功率开关设备。图7(b)所示驱动电路开关速度很快,驱动能力强,为防止两个MOSFET管直通,通常串接一个0.5~1Ω小电阻用于限流,该电路适用于不要求隔离的中功率开关设备。这两种电路特点是结构简单。
功率MOSFET属于电压型控制器件,只要栅极和源极之间施加的电压超过其阀值电压就会导通。由于MOSFET存在结电容,关断时其漏源两端电压的突然上升将会通过结电容在栅源两端产生干扰电压。常用的互补驱动电路的关断回路阻抗小,关断速度较快,但它不能提供负压,故抗干扰性较差。为了提高电路的抗干扰性,可在此种驱动电路的基础上增加一级有V1、V2、R组成的电路,产生一个负压,电路原理图如图8所示。

当V1导通时,V2关断,两个MOSFET中的上管的栅、源极放电,下管的栅、源极充电,即上管关断,下管导通,则被驱动的功率管关断;反之V1关断时,V2导通,上管导通,下管关断,使驱动的管子导通。因为上下两个管子的栅、源极通过不同的回路充放电,包含有V2的回路,由于V2会不断退出饱和直至关断,所以对于S1而言导通比关断要慢,对于S2而言导通比关断要快,所以两管发热程度也不完全一样,S1比S2发热严重。
该驱动电路的缺点是需要双电源,且由于R的取值不能过大,否则会使V1深度饱和,影响关断速度,所以R上会有一定的损耗。
第五种:MOS管开关电路图
正激式驱动电路
电路原理如图9(a)所示,N3为去磁绕组,S2为所驱动的功率管。R2为防止功率管栅极、源极端电压振荡的一个阻尼电阻。因不要求漏感较小,且从速度方面考虑,一般R2较小,故在分析中忽略不计。

等效电路图如图9(b)所示脉冲不要求的副边并联一电阻R1,它做为正激变换器的假负载,用于消除关断期间输出电压发生振荡而误导通。同时它还可以作为功率MOSFET关断时的能量泄放回路。该驱动电路的导通速度主要与被驱动的S2栅极、源极等效输入电容的大小、S1的驱动信号的速度以及S1所能提供的电流大小有关。由仿真及分析可知,占空比D越小、R1越大、L越大,磁化电流越小,U1值越小,关断速度越慢。该电路具有以下优点:①电路结构简单可靠,实现了隔离驱动。②只需单电源即可提供导通时的正、关断时负压。③占空比固定时,通过合理的参数设计,此驱动电路也具有较快的开关速度。
该电路存在的缺点:一是由于隔离变压器副边需要噎嗝假负载防振荡,故电路损耗较大;二是当占空比变化时关断速度变化较大。脉宽较窄时,由于是储存的能量减少导致MOSFET栅极的关断速度变慢。
第六种:MOS管开关电路图
有隔离变压器的互补驱动电路
如图10所示,V1、V2为互补工作,电容C起隔离直流的作用,T1为高频、高磁率的磁环或磁罐。

导通时隔离变压器上的电压为(1-D)Ui、关断时为DUi,若主功率管S可靠导通电压为12V,而隔离变压器原副边匝比N1/N2为12/[(1-D)Ui]。为保证导通期间GS电压稳定C值可稍取大些。该电路具有以下优点:
①电路结构简单可靠,具有电气隔离作用。当脉宽变化时,驱动的关断能力不会随着变化。
②该电路只需一个电源,即为单电源工作。隔直电容C的作用可以在关断所驱动的管子时提供一个负压,从而加速了功率管的关断,且有较高的抗干扰能力。
但该电路存在的一个较大缺点是输出电压的幅值会随着占空比的变化而变化。当D较小时,负向电压小,该电路的抗干扰性变差,且正向电压较高,应该注意使其幅值不超过MOSFET栅极的允许电压。当D大于0.5时驱动电压正向电压小于其负向电压,此时应该注意使其负电压值不超过MOAFET栅极允许电压。所以该电路比较适用于占空比固定或占空比变化范围不大以及占空比小于0.5的场合。
第七种:MOS管开关电路图
集成芯片UC3724/3725构成的驱动电路
电路构成如图11所示。其中UC3724用来产生高频载波信号,载波频率由电容CT和电阻RT决定。一般载波频率小于600kHz,4脚和6脚两端产生高频调制波,经高频小磁环变压器隔离后送到UC3725芯片7、8两脚经UC3725进行调制后得到驱动信号,UC3725内部有一肖特基整流桥同时将7、8脚的高频调制波整流成一直流电压供驱动所需功率。一般来说载波频率越高驱动延时越小,但太高抗干扰变差;隔离变压器磁化电感越大磁化电流越小,UC3724发热越少,但太大使匝数增多导致寄生参数影响变大,同样会使抗干扰能力降低。
根据实验数据得出:
对于开关频率小于100kHz的信号一般取(400~500)kHz载波频率较好,变压器选用较高磁导如5K、7K等高频环形磁芯,其原边磁化电感小于约1毫亨左右为好。这种驱动电路仅适合于信号频率小于100kHz的场合,因信号频率相对载波频率太高的话,相对延时太多,且所需驱动功率增大,UC3724和UC3725芯片发热温升较高,故100kHz以上开关频率仅对较小极电容的MOSFET才可以。对于1kVA左右开关频率小于100kHz的场合,它是一种良好的驱动电路。该电路具有以下特点:单电源工作,控制信号与驱动实现隔离,结构简单尺寸较小,尤其适用于占空比变化不确定或信号频率也变化的场合。
对于开关频率小于100kHz的信号一般取(400~500)kHz载波频率较好,变压器选用较高磁导如5K、7K等高频环形磁芯,其原边磁化电感小于约1毫亨左右为好。这种驱动电路仅适合于信号频率小于100kHz的场合,因信号频率相对载波频率太高的话,相对延时太多,且所需驱动功率增大,UC3724和UC3725芯片发热温升较高,故100kHz以上开关频率仅对较小极电容的MOSFET才可以。对于1kVA左右开关频率小于100kHz的场合,它是一种良好的驱动电路。该电路具有以下特点:单电源工作,控制信号与驱动实现隔离,结构简单尺寸较小,尤其适用于占空比变化不确定或信号频率也变化的场合。

第八种:MOS管开关电路图

第一种应用,由PMOS来进行电压的选择,当V8V存在时,此时电压全部由V8V提供,将PMOS关闭,VBAT不提供电压给VSIN,而当V8V为低时,VSIN由8V供电。注意R120的接地,该电阻能将栅极电压稳定地拉低,确保PMOS的正常开启,这也是前文所描述的栅极高阻抗所带来的状态隐患。D9和D10的作用在于防止电压的倒灌。D9可以省略。这里要注意到实际上该电路的DS接反,这样由附生二极管导通导致了开关管的功能不能达到,实际应用要注意。

来看这个电路,控制信号PGC控制V4.2是否给P_GPRS供电。此电路中,源漏两端没有接反,R110与R113存在的意义在于R110控制栅极电流不至于过大,R113控制栅极的常态,将R113上拉为高,截至PMOS,同时也可以看作是对控制信号的上拉,当MCU内部管脚并没有上拉时,即输出为开漏时,并不能驱动PMOS关闭,此时,就需要外部电压给予的上拉,所以电阻R113起到了两个作用。R110可以更小,到100欧姆也可。